Вес: 36 кг, Объем 0,05
Насос модель XHS2000 предназначен для перекачивания пресной чистой воды и других жидкостей с аналогичными физическими и химическими свойствами. Они используются для: водоснабжения, перекачивания воды из колодцев, рек, прудов, в целях полива садов, огородов, повышения давления жидкости, в сельскохозяйственной ирригации, промышленности и т. д.


Обобщенные схемы устройств насосов.
Модели XHSm1500, XHS1500, XHSm2000, XHS2000.

|
№ |
Наименование |
№ |
Наименование |
|
1. |
Защитная крышка крыльчатки охлаждения. |
10. |
Насосная камера. |
|
2. |
Крыльчатка охлаждения. |
11. |
Входной фланец. |
|
3. |
Задняя крышка мотора (упорная пластина). |
12. |
Обратный клапан. |
|
4. |
Ротор. |
13. |
Выходной фланец. |
|
5. |
Подшипник. |
14. |
О-обратное уплотнительное кольцо. |
|
6. |
Статор. |
15. |
Конденсаторная коробка. |
|
7. |
Суппорт. |
16. |
Пусковой конденсатор. |
|
8. |
Торцевое уплотнение (сальник). |
17. |
Крышка пускового конденсатора. |
|
9. |
Крыльчатка. |
|
|
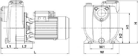
Установочные размеры.
Модели XHSm1500, XHS1500, XHSm2000, XHS20000

|
|
L (мм) |
W (мм) |
H (мм) |
L1 (мм) |
L2 (мм) |
W1 (мм) |
H1 (мм) |
H2 (мм) |
|
XHS(m)1500 |
432 |
222 |
308 |
96,5 |
104 |
145 |
218 |
111 |
|
XHS(m)2000 |
432 |
222 |
308 |
96,5 |
104 |
145 |
218 |
111 |
| Потребляемая мощность: 1650 Вт. |
| Полезная мощность: 1500 Вт. |
| Максимальная производительность: 380 л/мин. |
| Номинальная производительность: 190 л/мин. |
| Максимальная высота подъема: 20 м. |
| Номинальная высота подъема: 13 м. |
| Максимальная высота всасывания: 8 м. |
| Параметры сети питания: 380 В./ 50 Гц. |
| Пусковой ток: 21,7 А. |
| Рабочий ток: 4,34 А. |
| Максимальное процентное соотношение взвешенных нерастворимых частиц в перекачиваемой жидкости: 2 %. |
| Максимальный линейный размер нерастворимых частиц в перекачиваемой жидкости: 20 мм. |
| Диаметр резьбы входного/выходного отверстий: 2 дюйма. |
| Максимальная температура перекачиваемой жидкости: +60 С. |
| Диапазон рН перекачиваемой жидкости: 6,5-8,5. |
| Вал изготовлен из высококачественной нержавеющей стали марки AISI 304. |
| Все части насоса, контактирующие с водой, имеют антикоррозийное покрытие или изготовлены из неподдающихся коррозии материалов. |
| Медная обмотка статора, имеет повышенные индукционные характеристики. |
| Сердечники статора и ротора изготовлены из холоднокатаной стали, что значительно улучшает их характеристики. |
